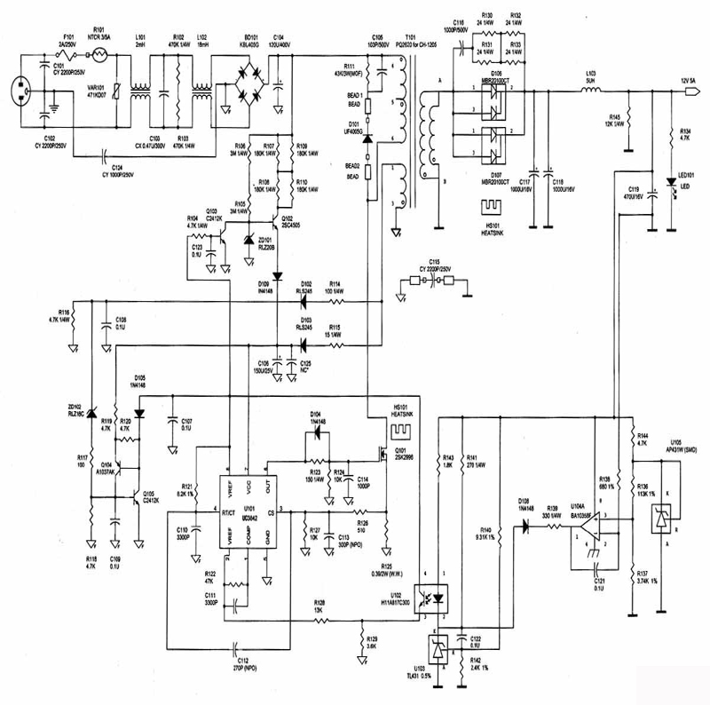
A typical schematic 12V5A power adapter
Micro power electronics (HK) co.,limited is a professional power supply desiger and manufacturer. If you have any questions or demand about power supply, pls feel freely to contact us. We will try our best for you.
